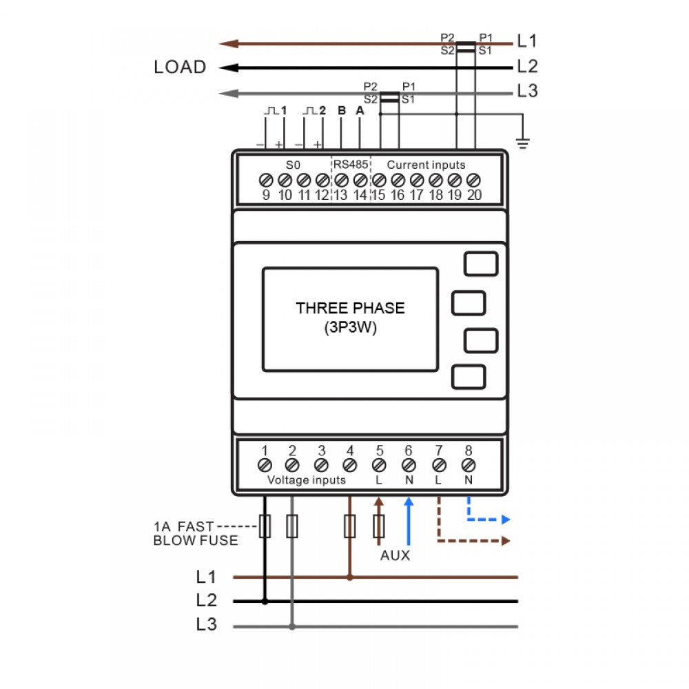
Our range of MID certified din rail meters are suitable for almost any LV application.
From our single phase 1 module meters all the way up to our three phase CT operated meters we can supply any type of din rail product either on its own or bespoke built into a pre wired enclosure for an out of the box solution.









